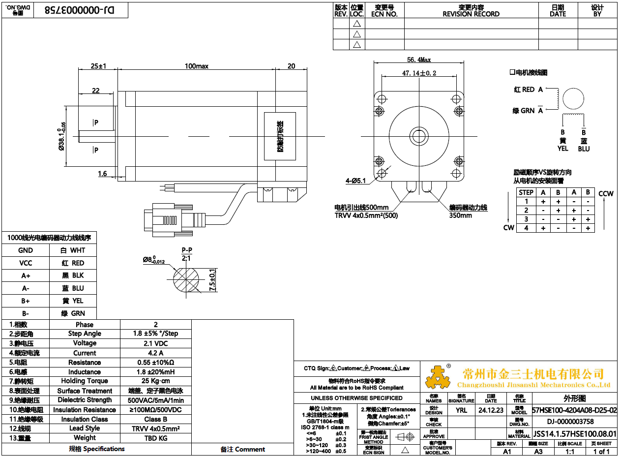
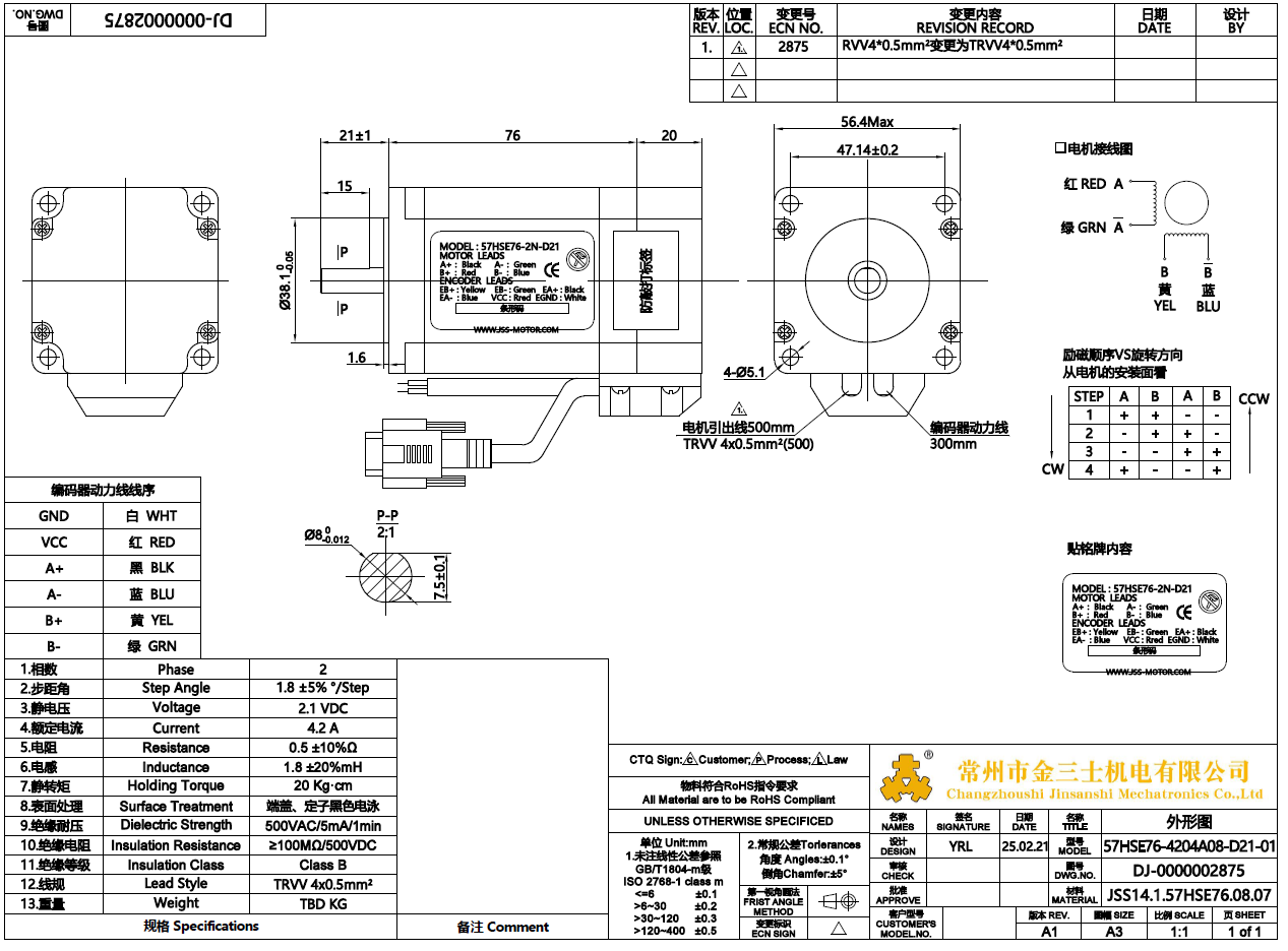
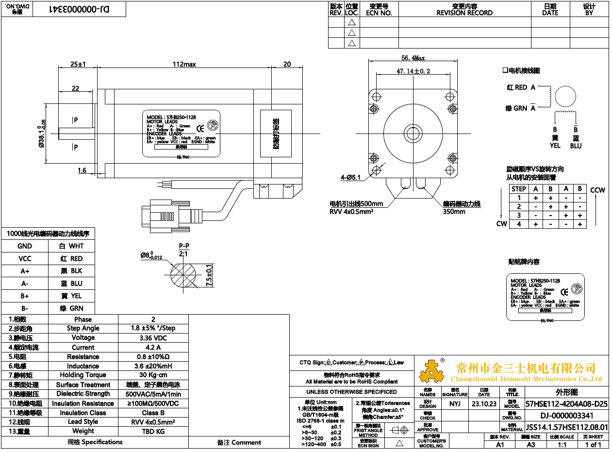
NEMA23 Closed Loop Stepper Motor – JSS Specification Leave a Comment / Blogs, User Manual / By Tech Team Model #: 57HSE41 Model#: 57HSE56 Model#: 57HSE76 Model#: 57HSE82 Model#: 57HSE100 Model#: 57HSE112